Understand Porsche’s 6-Stroke Engine Patent With The Help Of A Very Smart Man

When news emerged a couple of weeks ago that Porsche had patented a six-stroke engine, we have to admit we were left scratching our heads a bit. After all, we’ve had years of understanding that the four-stroke system utilised by pretty much every modern combustion-powered vehicle bar a few two-stroke bikes is the most effective way of turning fuel into noise and speed.
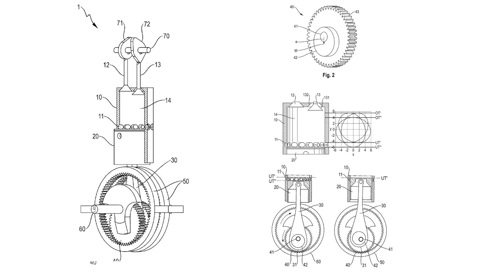
Porsche’s patent left us with many questions: what? Why? How? We can answer two of those easily. We know what it is: a regular internal combustion engine, but with additional compression and combustion strokes prior to the final exhaust stroke.

The ‘why’ is that it would potentially allow an engine to produce power more efficiently, allowing for smaller, cleaner power units to make similar power to larger ones – handy when internal combustion engines are becoming ever harder to make emissions-compliant.
As for the ‘how’, that’s the bit that really left us stumped. Porsche’s own patent diagrams go some way to explaining, showing how planetary gears surrounding the crankshaft effectively alter how far the pistons travel, creating secondary compression and combustion cycles for each crankshaft rotation.
Still, that was a sentence that those of us with a shorter attention span might struggle with – I wrote it and even I gave up halfway through. For a better explanation, complete with pretty moving pictures and a calming Spanish accent, we refer you to the excellent YouTube channel ‘driving 4 answers’. Its host takes a deep dive into Porsche’s proposal and explains it in much more in-depth yet easy-to-understand terms than we could ever hope to.
As for the engine itself, we’ll have to wait and see if it’ll ever see the light of day. Plenty of patents end up going nowhere, but if Porsche pushes ahead with this, it could further extend the life of its petrol-powered sports cars – and that can only be a good thing.



Comments